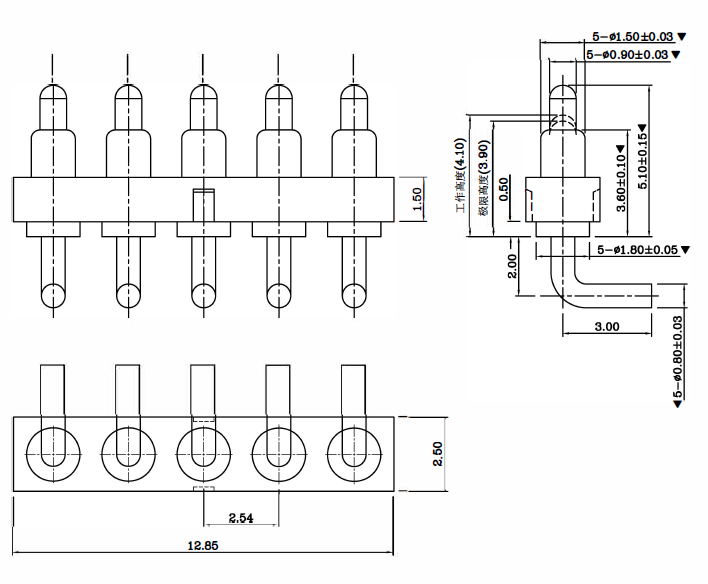
کانکتور پین پوگو نر و ماده 5 پین فرشته راست
انگشتانه فنری یک کاوشگر فنری است که از سه قسمت ضروری سوزن، لوله سوزن و فنر پس از پرچ شدن توسط ابزار دقیق تشکیل می شود. به آن پین پوگو، ستون الکترود فنری پوگوپین، بارگذاری فنری یا پوگوپین نیز میگویند. قسمت پایین سوزن انگشتانه فنری معمولاً ساختاری اریب است.

عملکرد ساختار اریب این است که اطمینان حاصل شود که پوگوپین هنگام کار، دست را با دیواره داخلی لوله سوزن در تماس نگه می دارد، به طوری که جریان عمدتاً از سوزن با روکش طلا و لوله سوزن برای اطمینان از پایداری و کم بودن عبور می کند. امپدانس پوگوپین

انگشتان فنری معمولاً در اتصالات دقیق در محصولات الکترونیکی مانند تلفن های همراه، ارتباطات، اتومبیل، پزشکی، هوافضا و غیره استفاده می شود. از آنجایی که انگشتانه فنری یک پروب عالی است، حجم آن را می توان بسیار کوچک ساخت، بنابراین می تواند هزینه اتصال را هنگام استفاده در کانکتورهای دقیق کاهش دهد. کاهش وزن دستگاه، صرفه جویی در فضا و زیباسازی ظاهر محصول (مانند تلفن های همراه فوق نازک، ساعت های هوشمند، سیگارهای الکترونیکی و ...).

شش سبک و ویژگی رایج پوگوپین:
پوگوپین ته تخت: پایداری خوب، قسمت پایین لوله سوزن ته صاف است، به راحتی با برد PCB لحیم می شود.
پوگوپین پلاگین: در انتهای لوله سوزن یک پین موقعیت وجود دارد و هنگامی که به برد PCB لحیم می شود، انحراف ایجاد نمی شود و اثر موقعیت خوب است.
خم شدن پوگوپین: دم خم شده است و به طراحان امکان انتخاب بیشتری در استفاده از فضا می دهد.
پوگوپین دو سر: طراحی دو سر و عملکرد دو طرفه به مهندسان این امکان را می دهد که انعطاف پذیری فضای بیشتری در اتصال دو طرفه برد به برد داشته باشند.
سیم لحیم کاری پوگوپین: مناسب برای انتهای کابل، لحیم کاری آسان با سیم
پوگوپین نخی: محصولات با مشخصات خاص می توانند نیازهای مختلف مشتریان را برآورده کنند.

